全国空降24小时免费,免费全国空降app入口在哪 ,全国大圈纯出外围招聘,全国小姐兼职平台

轻触开关, 可调电阻等电子元件产品中颇具规模的生产厂家之一
广东精密龙电子科技有限公司
全国服务热线
0755-83205533
通讯通信
滑动电位器 F-101N
产品简介
滑动电位器F-101N也可称作直滑式电位器、滑动电位器等,主要为消费类数码产品以及专业音响等所用到。
订购热线:0755-83205533
产品介绍

电位器系列滑动电位器 F-101N产品简介

F-101N电位器也可称作直滑式电位器、滑动电位器等,主要为消费类数码产品以及专业音响等所用到。


电位器系列滑动电位器 F-101N技术参数

阻值范围(Ohms) :1K~500K

阻值偏差: ±20%

阻值变化特征: B

最高使用电压:AC100V

额定功率: 0.03W

滑动杂音: <100MV

残留阻值: Term.1-2 <10Ω

Term 2-3<20Ω

绝缘阻值: More than 50MΩ at DC100V

耐电压 :1 minute at AC100V


电位器系列滑动电位器 F-101N机械特征:

滑动行程 : 10.0mm±0.5mm

滑动力: 5gf.cm~90gf.cm

止档强度: 2.5 kgf.cm Min

推柄推拉承受强度: 1.0kgf.cm Min. at 10Sec

滑动寿命:10000cycles


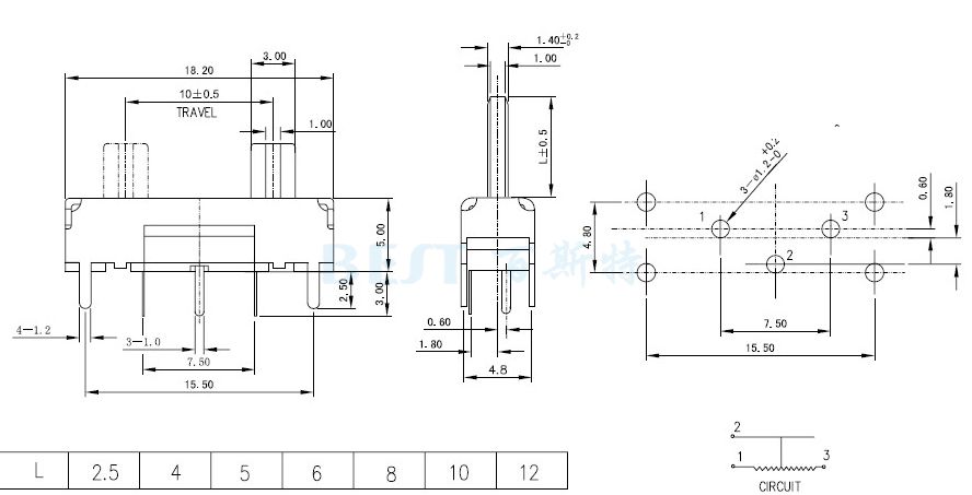
电位器系列滑动电位器 F-101N参考图纸

单位:mm

滑动电位器 F-101N


联系精密龙
广东精密龙电子科技有限公司
全国服务电话:0755-83205533
传真:0755-83761155
公司地址:深圳市龙岗区龙岗大道8288号深圳大运软件小镇45栋2楼
工厂地址:惠州市惠城区小金口街道惠州大道汤泉段108号

Copyright © 广东精密龙电子科技有限公司 版权所有 粤ICP备17035144号 粤公网安备44130202001184号
全国服务电话:0755-83205533   传真:0755-83761155
公司地址:深圳市龙岗区龙岗大道8288号深圳大运软件小镇45栋2楼

电话
服务电话:
0755-83205533
微信

百斯特公众号