


密封式电位器RM150-V1电位器性能:
阻值范围(Ohms) : 500~2M
阻值偏差: ±20%
阻值变化特征: B
额定功率 : 0.3W(50°);0.1W(70°)
最高使用电压: 50VAC 20VDC
终端电阻: R<50K 20ΩMAX
R≥50K 50ΩMAX
密封式电位器RM150-V1机械性能:
旋转角度: 265°± 5°
起动力矩: 3~20 mN?m
止档强度:2kgf.cm
机械耐久性:10000cycles
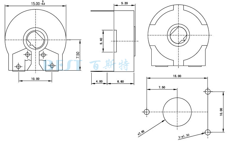
密封式电位器RM150-V1参考图纸
单位:mm


Copyright © 广东精密龙电子科技有限公司 版权所有 粤ICP备17035144号 粤公网安备44130202001184号
全国服务电话:0755-83205533 传真:0755-83761155
公司地址:深圳市龙岗区龙岗大道8288号深圳大运软件小镇45栋2楼

