
说到轻触开关,我们都知道这是一款常用的电子元器件,不仅有接触电阻荷小、精确的操作力误差,还有规格多样化等方面的优势,因此在电子设备及白色家电等方面得到广泛的应用。例如安防产品、玩具、电脑产品、健身器材、医疗器材、影音产品、数码产品、??仄鳌⑼ㄑ恫?、家用电器、验钞笔、雷射笔按键等等。因为轻触开关对环境的条件大型设备及高负荷的按钮都使用导电橡胶或锅仔开关五金弹片直接来代替,比如医疗器材、电视机??仄鞯?。轻触开关主要规格有:环保耐高温、贴片式、插件式、侧插式 、大/中/小龟型轻触开关、2×4轻触开关、3×3轻触开关、3.7×3.7×0.35进品轻触开关 、4×4×1.5/1.6/17mm轻触开关 、3×6×4.3/5.0mm汽车轻触开关、4×6×2.6轻触开关、4.5×4.5×3.8/4.8/5/0/6/7/8/9贴片轻触开关、插件式轻触开关、边三解轻触开关 、贴片轻触开关、插件轻触开关 、防水轻触开关6×6系列、轻触开关7.2×7.2、防水轻触开关 8×8系列、防水轻触开关10×10系列、防水轻触开关12×12系列等。一般不同规格尺寸的产品是不能和其它规格尺寸不同的开关替换,否则对于选择开关的规格尺寸不符合,不但会导致影响到开关的工作性能,而且还会在开关的使用上存在很大的安全隐患等事故产生。因此若是不具备一定对开关产品知识的了解,从而很容易造成我们购置到不适用的开关??赡艽蠹叶郧岽タ?.2×7.2等产品的规格型号等参数柄不怎么了解,那么下面小编主要为大家详细介绍关于轻触开关7.2×7.2功能特点解析及产品用途解说。
(1)轻触开关7.2×7.2_TS-1119D
轻触开关7.2×7.2_TS-11119D_产品简介:
TS-1119D轻触开关尺寸为:7.2mm×7.2mm的插件开关。而且轻触开关TS-1119D系列为最新一款防水按键开关,目前主要针对智能马桶盖等行业广泛使用。
轻触开关7.2×7.2_TS-1119D_技术参数:
额定电负荷:DC12V 50MA
接触电阻:≤100Ω
绝缘电阻:≥100MΩ
驱动力:250±50GF
轻触开关寿命:50000次
行程:0.25mm±0.1mm
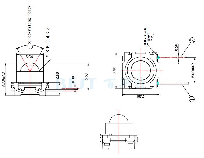
轻触开关7.2×7.2_TS-1101E_参考图纸:
(2)轻触开关7.2×7.2_TS-6004A
轻触开关7.2×7.2_TS-6004A_产品简介:
TS-6004A轻触开关的尺寸为:长7.2mm×宽7.2mm×高6.65mm。TS-6004A轻触开关为插件,也被叫做插件电子烟开关,为侧插式开关。TS-6004A轻触开关大量用于电子烟,在美容器械、数码产品等行业也广泛使用,具体产品如血压计、按摩机、电子烟、耳机等。
轻触开关7.2×7.2_TS-6004A_技术参数:
环境温度:-10度~ 60度
保存温度:-25度-70度
耐电压:AC250V.50HZ/1min
轻触开关寿命:100000次
驱动力:200±50GF
行程:0.55mm±0.25mm
额定电负荷:DC12V 50MA
接触电阻:≤100Ω
绝缘电阻:≥100MΩ
轻触开关7.2×7.2_TS-6004A_参考图纸:
(3)轻触开关7.2×7.2_TS-6004
轻触开关7.2×7.2_TS-6004_产品简介:
轻触开关TS-6004的尺寸7.2×7.2,基座高度为4.7,总体高度为6.4,可称四脚轻触开关。TS-6004轻触开关多大量使用于大功率电子烟产品上面。
轻触开关7.2×7.2_TS-6004_技术参数:
环境温度:-10度~ 60度
保存温度:-25度-70度
耐电压:AC250V.50HZ/1min
轻触开关寿命:100000次
驱动力:200±50GF
行程:0.55mm±0.25mm
额定电负荷:DC12V 50MA
接触电阻:≤100Ω
绝缘电阻:≥100MΩ
轻触开关7.2×7.2_TS-6004_参考图纸:
在这里和大家简单分享几个关于使用轻触开关7.2×7.2的注意事项:因为轻触开关是以直流的电阻负载为前提设计制造的。所以如果我们使用其它负荷,要确认好。其次使用开关时建议用于直接由人操作按开关的结构,不要用于机械性的检测功能。轻触开关7.2×7.2在使用时,不建议大家施加规定以上的负荷,这样会导致开关有被损坏的可能。给轻触开关端子进行焊接时,如果在端子上施加负荷,在使用时要注意因条件不同会有松动,变形及电特性劣化的可能。使用通孔印刷电路板及推荐以外的电路板时, 由于热应力的影响会发生变化,所以请事先就焊接条件进行充分的确认。进行两次焊接时,请在第一次焊接部分恢复到常温之后再进行。连续加热可能使外围部变形,端子的松动,脱落及电特性降低。如果使用轻触开关7.2×7.2的整机的周围材料产生腐蚀性气体,将有可能造成接触不良等现象,建议大家多些注意。

Copyright © 广东精密龙电子科技有限公司 版权所有 粤ICP备17035144号 粤公网安备44130202001184号
全国服务电话:0755-83205533 传真:0755-83761155
公司地址:深圳市龙岗区龙岗大道8288号深圳大运软件小镇45栋2楼

