
usb3.0插座是一种安全节电、带USB接口的通用的插座,一般包括座体主体,在插座主体上设有USB母座,USB母座上设有联动开关和USB插口,在插座主体内设有充电器??椋涞缙髂?榈氖淙攵擞肓氐氖涑龆瞬⒘?,其输出端的正负极与USB插口的电源的正负极对应联接,联动开关的输入端与电源端连接。USB插座系列产品包括:USB电源插座、贴片USB插座,usb3.0插座,USB2.0插座,百斯特USB插座分为两种封装:SMT贴片封装、DIP插件封装。USB插座根据内部结构的针数分为:MINI 4pin、5pin、8pin、10pin、14pin、16pin、18pin插座等。面对这么多规格型号的产品,可能大家不是很了解相关的参数知识以及家用USB插座使用注意事项,一般不同规格参数的产品的性能和用途都是有所不同的,下面就由小编来简单为大家介绍几款常见的产品吧!
(1)usb3.0插座_USB-A-05 3.0
usb3.0插座_USB-A-05 3.0_产品简介:
usb3.0插座_USB-A-05 3.0是一种侧插类型的USB插座,产品包括:SMT贴片封装、DIP插件封装,可根据封装不同而不同,主要用途于蓝牙耳机、数码相机、手机、电脑、移动硬盘、音响等行业使用。
usb3.0插座_USB-A-05 3.0_技术参数:
插拔力:5~20N
分离:8~20N
耐电压:500V AC at 1 minute
接触电阻:≤0.04Ω
绝缘电阻:≥100MΩ
工作温度:-40℃~85℃
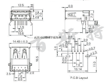
usb3.0插座_USB-A-05 3.0_参考图纸:
(2)usb3.0插座_USB-A-06 3.0
usb3.0插座_USB-A-06 3.0_产品简介:
usb3.0插座_USB-A-06 3.0为90度直插式usb母座,其产品包括:SMT贴片封装、DIP插件封装,可根据封装不同而不同,主要用途于移动硬盘、蓝牙耳机、音响、手机、电脑等使用。
usb3.0插座_USB-A-06 3.0_技术参数:
插拔力:5~20N
分离:8~20N
耐电压:500V AC at 1 minute
接触电阻:≤0.04Ω
绝缘电阻:≥100MΩ
工作温度:-40℃~85℃
usb3.0插座_USB-A-06 3.0_参考图纸:
(3)usb3.0插座_USB-A-08 3.0
usb3.0插座_USB-A-08 3.0_产品简介:
usb3.0插座_USB-A-08 3.0为180度直插式usb母座,其底部的端脚有:弯脚和直脚两种类型,可根据客户要求不同而做。主要用途于手机、电脑、移动硬盘、蓝牙耳机、音响等使用。
usb3.0插座_USB-A-08 3.0_技术参数:
插拔力:5~20N
分离:8~20N
耐电压:500V AC at 1 minute
接触电阻:≤0.04Ω
绝缘电阻:≥100MΩ
工作温度:-40℃~85℃
usb3.0插座_USB-A-08 3.0_参考图纸:
以上就是关于usb3.0插座的相关产品型号参数的介绍,除了以上的型号的usb3.0插座,我们还供应其他型号的产品,如:USB-A-09 3.0、USB-C-08 16PIN沉板、USB-C-09 24PIN沉板、USB-4T-05、USB-4T-09、USB-A2-02、USB-A2-03、USB-A-02 3.0、USB-A-09 3.0、USB-A-18、USB-A-21、USB-B-01 3.0、USB-MC-001-10等。由于时间关系,usb3.0插座的相关知识就先给大家讲解到这里吧!

Copyright © 广东精密龙电子科技有限公司 版权所有 粤ICP备17035144号 粤公网安备44130202001184号
全国服务电话:0755-83205533 传真:0755-83761155
公司地址:深圳市龙岗区龙岗大道8288号深圳大运软件小镇45栋2楼

