


拨盘电位器WH120-1电位器性能
阻值:□1KΩ □2KΩ □5KΩ □10KΩ □20KΩ□50KΩ □100KΩ□200KΩ□500KΩ
阻值偏差:□±10% □±20%□±30%
阻值变化特性:□A□B□C □D□W□MN
最高使用电压: 150 V~DC/ V
额定功率:B:0.1W,□Other :0.05W
Term. 1~2:Less than 20 Ω
残留阻值:Term. 2~3:Less than 20 Ω
杂讯:Less than 100 mV
开关接触阻抗值:Less than 50 MΩ
开关额定功率:1.0 A at DC 12 V
拨盘电位器WH120-1机械特性
旋转角度:230°±10°
旋转力矩:10 ~ 100
止挡强度:2.0 Kgf.cm Min.
轴柄推拉承受强度:1.0 Kg.f Max.at 10sec
开关回转角度:35°±10°
开关作动力:100 ~ 350gf.cm
銲锡耐热性:100℃
预热:基板表面温度100℃以下,1分钟内。
焊锡温度:260±5℃,5秒.
旋转寿命:10,000 (Cycles Min)
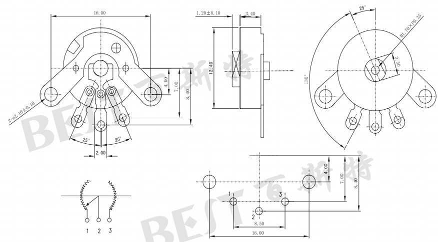
拨盘电位器WH120-1参考图纸
单位:mm


Copyright © 广东精密龙电子科技有限公司 版权所有 粤ICP备17035144号 粤公网安备44130202001184号
全国服务电话:0755-83205533 传真:0755-83761155
公司地址:深圳市龙岗区龙岗大道8288号深圳大运软件小镇45栋2楼

