


轻触开关TS-6004A产品简介
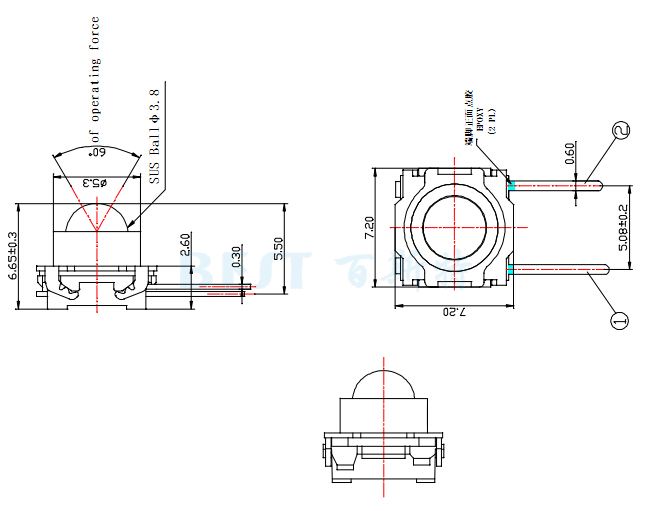
TS-6004A轻触开关的尺寸为:长7.2mm*宽7.2mm*高6.65mm。TS-6004A轻触开关为插件,也被叫做插件电子烟开关,为侧插式开关。TS-6004A轻触开关大量用于电子烟,在美容器械、数码产品等行业也广泛使用,具体产品如电子烟、耳机、血压计、按摩机等。
轻触开关TS-6004A技术参数
环境温度:-10度~ 60度
保存温度:-25度-70度
额定电负荷:DC12V 50MA
接触电阻:≤100Ω
绝缘电阻:≥100MΩ
耐电压:AC250V.50HZ/1min
轻触开关寿命:100000次
驱动力:200±50GF
行程:0.55mm±0.25mm
轻触开关TS-6004A参考图纸


Copyright © 广东精密龙电子科技有限公司 版权所有 粤ICP备17035144号 粤公网安备44130202001184号
全国服务电话:0755-83205533 传真:0755-83761155
公司地址:深圳市龙岗区龙岗大道8288号深圳大运软件小镇45栋2楼

