全国空降24小时免费,免费全国空降app入口在哪 ,全国大圈纯出外围招聘,全国小姐兼职平台

轻触开关, 可调电阻等电子元件产品中颇具规模的生产厂家之一
广东精密龙电子科技有限公司
全国服务热线
0755-83205533
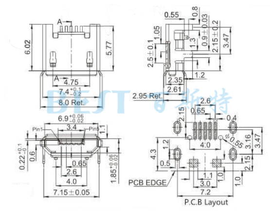
USB插座USB-MC-001-10
产品简介
USB-MC-001-10产品包括:有卷边和无卷边的区别,根据客户要求不同而做,一般主要应用于平板、手机、移动硬盘、计算机等使用。
订购热线:0755-83205533
产品介绍

技术参数:

插拔力:5~20N

分离:8~20N

接触电阻:≤0.04Ω

绝缘电阻:≥100MΩ

工作温度:-30℃~80℃


USB插座USB-MC-001-10参考图纸


USB插座USB-MC-001-10参考图纸

联系精密龙
广东精密龙电子科技有限公司
全国服务电话:0755-83205533
传真:0755-83761155
公司地址:深圳市龙岗区龙岗大道8288号深圳大运软件小镇45栋2楼
工厂地址:惠州市惠城区小金口街道惠州大道汤泉段108号

Copyright © 广东精密龙电子科技有限公司 版权所有 粤ICP备17035144号 粤公网安备44130202001184号
全国服务电话:0755-83205533   传真:0755-83761155
公司地址:深圳市龙岗区龙岗大道8288号深圳大运软件小镇45栋2楼