
沉板USB插座C08能够很好的将普通电源插座与USB直流供电插座组合,省去携带USB充电器或用电脑USB供电的烦恼。沉板USB插座C08是usb插座中广泛用于我们生活中一种电子元件,特别是电子产品方面,此外还有沉板USB插座C09、USB插座C04、USB插座C03、USB插座C02。沉板USB插座C08特点主要有:可为设备供电、可支持热插拔、数据传输速率高、可一起挂接多个usb设备、具有联合性(不一样的而又有附近的特性的接口能够联合起来)、具有实时性(能够完成和一个设备之间有用的实时通讯)、具有多能性(每个不一样的接口能够运用不一样的供电方式)、具有动态性(可够完成接口间的动态切换)。那么下面我来给大家介绍几款常见的USB插座以及相关的参数详情吧!
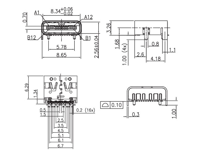
(1)USB插座USB-C-08 16PIN沉板
USB插座USB-C-08 16PIN沉板_参考图纸:
USB-C-08 16PIN其连接方式为90°直插沉板式Type-C插座,而且Type-C接口插座端的尺寸约为8.3mm×2.5mm纤薄设计,较大数据传输速度达到10Gbit/秒,也是USB 3.1的标准。
技术参数:
插拔力:5~20N
分离:8~20N
接触电阻:≤0.04Ω
绝缘电阻:≥100MΩ
工作温度:-30℃~85℃
寿命:10000次
(2)USB插座USB-C-04
USB插座USB-C-04_参考图纸:
Type-C接口插座端的尺寸约为8.3mm×2.5mm纤薄设计。支持从正反两面均可插入的“正反插”功能,可承受1万次反复插拔。
USB插座USB-C-04_产品简介:
type c母座具备以下特点:
Type-C接口插座端的尺寸约为8.3mm×2.5mm纤薄设计
较大数据传输速度达到10Gbit/秒,也是USB 3.1的标准
支持从正反两面均可插入的“正反插”功能,可承受1万次反复插拔
配备Type-C连接器的标准规格连接线可通过3A电流,同时还支持超出现有USB供电能力的“USB PD”,可以提供较大100W 的电力。
USB插座USB-C-04_技术参数:
使用温度范围:-55~85℃
耐压:100V AC
插拔力:5~20N
接触电阻:≤0.04Ω
绝缘电阻:≥100MΩ
寿命:10000次
(3)USB插座USB-C-03
USB插座USB-C-03_参考图纸:
配备Type-C连接器的标准规格连接线可通过3A电流,同时还支持超出现有USB供电能力的“USB PD”,可以提供较大100W 的电力。
USB插座USB-C-03_产品简介:
type c母座具备以下特点:
Type-C接口插座端的尺寸约为8.3mm×2.5mm纤薄设计
较大数据传输速度达到10Gbit/秒,也是USB 3.1的标准
支持从正反两面均可插入的“正反插”功能,可承受1万次反复插拔
配备Type-C连接器的标准规格连接线可通过3A电流,同时还支持超出现有USB供电能力的“USB PD”,可以提供较大100W 的电力。
USB插座USB-C-03_技术参数:
耐压:100V AC
插拔力:5~20N
接触电阻:≤0.04Ω
绝缘电阻:≥100MΩ
寿命:10000次
(4)USB插座USB-C-02
USB插座USB-C-02_参考图纸:
较大数据传输速度达到10Gbit/秒,也是USB 3.1的标准;支持从正反两面均可插入的“正反插”功能,可承受1万次反复插拔;
USB插座USB-C-02_产品简介:
type c母座具备以下特点:
Type-C接口插座端的尺寸约为8.3mm×2.5mm纤薄设计
较大数据传输速度达到10Gbit/秒,也是USB 3.1的标准
支持从正反两面均可插入的“正反插”功能,可承受1万次反复插拔
配备Type-C连接器的标准规格连接线可通过3A电流,同时还支持超出现有USB供电能力的“USB PD”,可以提供较大100W 的电力
USB插座USB-C-02_技术参数:
使用温度范围:-55~85℃
耐压:100V AC
插拔力:5~20N
接触电阻:≤0.04Ω
绝缘电阻:≥100MΩ
寿命:10000次
以上就是关于沉板USB插座C08、USB插座USB-C-04、USB插座USB-C-03以及USB插座USB-C-02的相关规格介绍。除了以上介绍的沉板USB插座C08等产品外,我们精密龙电子还生产各种其它型号的USB插座,如:USB插座USB-MC-001-07、USB插座USB-MC-001-06、USB插座USB-4T-03 90°插件、USB插座USB-A-03等产品,如果大家有这方面的需求可以随时联系我们呢!如果大家对沉板USB插座C08等产品的介绍还有哪些地方不明白的可以咨询我们的客服人员!

Copyright © 广东精密龙电子科技有限公司 版权所有 粤ICP备17035144号 粤公网安备44130202001184号
全国服务电话:0755-83205533 传真:0755-83761155
公司地址:深圳市龙岗区龙岗大道8288号深圳大运软件小镇45栋2楼

