
贴片轻触开关6*6是目前应用得比较广泛得产品,其型号规格也比较多。常规使用的贴片轻触开关6*6型号有:TS-0603、TS-1109、TS-1109D、TS-1109G、TS-1109B、TS-1109W、TS-1109E、TS-1109F、TS-1109C、TS-1109H、TS-1109K、TS-1157、TS-1157B、TS-1158等产品。不知大家对贴片轻触开关6*6的常见问题及正确使用有多少了解呢?一般来说建议大家不要一直强力按压,多大的符合重量可能会导致原形面板弹簧的变形,引发动作不良的情况。此外,选择合适的产品型号也是比较重要的,那么下面就由小编来给大家简单介绍几款常用的规格型号的产品吧!
(1)贴片轻触开关6*6_TS-1109B
贴片轻触开关6*6_TS-1109B_产品简介:
高度是:固定的
按键头尺寸是:2.4*2.4
按键力度有:160g/250g四种
包装方式:袋装(1000PCS/包)
柄:不耐高温
焊接方式:手工焊接的方式与波峰焊
贴片轻触开关6*6_TS-1109B_技术参数:
使用范围温度:-20℃~80℃
额定值:DC 12V 50mA
接触电阻:≤30mΩ
绝缘电阻:≥100 MΩ
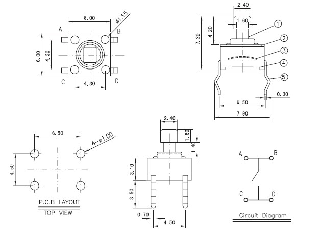
贴片轻触开关6*6_TS-1109B_参考图纸:
(2)贴片轻触开关6*6_TS-1109D
贴片轻触开关6*6_TS-1109D_产品简介:
结构:6*6插件轻触开关,是长两脚
高度有:4.3/5/5.5-9几种
按键力度:100g/120g/160g/250g四种
包装方式:袋装(1000PCS/包)
焊接方式:回流焊,一般都是手工焊接
贴片轻触开关6*6_TS-1109D_技术参数:
使用范围温度:-20℃~80℃
额定值:DC 12V 50mA
接触电阻:≤30mΩ
绝缘电阻:≥100 MΩ
贴片轻触开关6*6_TS-1109D_参考图纸:
(3)贴片轻触开关6*6_TS-1109C
贴片轻触开关6*6_TS-1109C_产品简介:
结构:6*6轻触开关,是边两脚轻触开关
高度有:4.3/5/5.5-8
力度有:100g/120g/160g/250g四种
包装方式是:袋装1000PCS/包
焊接方式:不能过回流焊,一般都是手工焊接
贴片轻触开关6*6_TS-1109C_技术参数:
使用范围温度:-20℃~80℃
额定值:DC 12V 50mA
接触电阻:≤30mΩ
绝缘电阻:≥100 MΩ
贴片轻触开关6*6_TS-1109C_参考图纸:
(4)贴片轻触开关6*6_TS-0603
贴片轻触开关6*6_TS-0603_产品简介:
别称:6*6硅胶头无声开关
动作力:250gf正负80
长宽尺寸为:6*6
高度: 4.3H/5H
开关寿命:10万次以上
按动效果:厚实无虚空感,灵敏度高
环保:产品符合环保要求
编带盘装:一盘2000/PCS
应用:车载DVD,音响,数码相机,汽车电子,GPS导航仪等产品上面
贴片轻触开关6*6_TS-0603_技术参数:
环境温度:-20~ 80度
相对湿度:25% to 85%
额定电负荷:DC12V/50MA
接触电阻:100毫欧以下
绝缘电阻:100兆欧以上
耐 电 压:AC250V.50HZ/1min
耐 高 温:260℃
贴片轻触开关6*6_TS-0603_机械性能:
驱动力:250±80gf
回弹力度:40gf min
按钮行程:1.3±0.2mm
可焊性:超过75%的锡焊面积被焊料所覆盖
机械寿命:100000次
贴片轻触开关6*6_TS-0603_参考图纸:
以上就是关于贴片轻触开关6*6_TS-1109B、TS-1109D、TS-1109C、TS-0603的常用规格型号介绍。除了贴片轻触开关6*6,我们还有其它规格尺寸的产品,如贴片轻触开关12*12、贴片轻触开关3*4、贴片轻触开关8*8等。如果大家有兴趣想要了解这些产品或者对以上讲解的内容 又是那些不明白的地方,欢迎咨询我们的在线客服专员或者致电联系我们呢!由于时间关系,关于贴片轻触开关6*6的产品介绍就先给大家讲解到这里了!

Copyright © 广东精密龙电子科技有限公司 版权所有 粤ICP备17035144号 粤公网安备44130202001184号
全国服务电话:0755-83205533 传真:0755-83761155
公司地址:深圳市龙岗区龙岗大道8288号深圳大运软件小镇45栋2楼

