
dc插座是目前最为常用的一款插座元件,不过dc插座一般对于规格类型的产品区分众多,其各规格不同的插座,相对于功能特性的差异及用途上都是有所不同的。例如常规的型号有dc002插座、dc003、dc005、dc006插座等规格,以dc002插座来讲,那么大家对于这规格的产品是否全面了解呢?如它的性能特性如何?因此若不具备对产品的知识了解,一般对于在插座的选型当中,请勿随便乱购置。接着以下为各位详细解说一番关于dc002插座的性能特点以及用途等说明。
dc002插座

产品介绍:
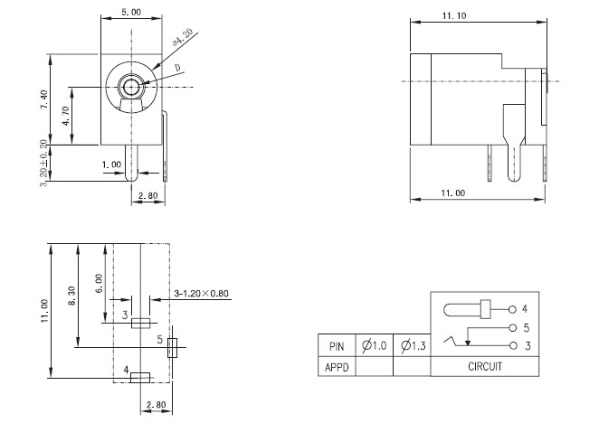
dc002插座为一款直插式电源插座,其插座常规的外孔规格尺寸为4.2mm,内孔规格区分有1.0mm、1.3mm等尺寸,针芯的类型上区分有圆针、梅花针等规格,一般请用户依据自身的需求选择。该产品用途一般多数应用于:音响、电视机、电脑、多媒体设备、投影仪、电子仪器、家电设备等行业。
技术参数:
压力:86kPa~106kPa
环境温度:15~35℃
额定值:DC 12V 1A
拔出力度:2.94~29.4N
插入力度:2.94~29.4N
接触电阻:≤0.03Ω
相对湿度:25%~80%
绝缘电阻:≥100MΩ
dc002插座参考图纸

以上关于常规dc002插座产品功能介绍大致都是解说的比较详细,想必此时大家对于dc002插座的规格产品也有一定的认识以及了解了吧。不过总的来说,由于dc插座的规格产品较多,一般在产品的购买上,请务必注意核实清楚dc插座的规格尺寸、针芯的类型及各项性能参数是否符合自身要求使用。

Copyright © 广东精密龙电子科技有限公司 版权所有 粤ICP备17035144号 粤公网安备44130202001184号
全国服务电话:0755-83205533 传真:0755-83761155
公司地址:深圳市龙岗区龙岗大道8288号深圳大运软件小镇45栋2楼

