
轻触开关一般对于规格的分类上比较众多,如常用的开关规格有轻触开关6x6、8x8、12x12等。那么大家是否对6x6规格的开关有全面的了解呢?如轻触开关6x6的特点及性能如何,其开关的使用寿命?以至于应用于什么场景使用等等,猜想若非具备一定相关经验的采购人员,想必你们也是不了解的较少吧,那接着由精密龙厂家详细给大家讲解轻触开关6x6规格有哪些以及性能分析。
轻触开关TS-1109产品介绍

轻触开关TS-1109,市上称之为6*6开关,塑胶的长宽有两种尺寸:6*6/6.2/6.2,脚距是一样的。高度H有:4.3/4.5/5/5.5/6/6.5-25mm不等,H越高价格也越高,柄太高容易晃动,很容易掉柄,质量不稳定。
轻触开关TS-1109技术参数
保存温度范围:-30℃~80℃
使用范围温度:-20℃~80℃
绝缘电阻:≥100 MΩ
额定值:DC 12V 50mA
接触电阻:≤30mΩ
机械性能
驱动力:160±30gf ,250±30gf,180±30gf
按钮行程:0.25±0.1mm
机械寿命:5-30万次
可焊性:超过75%的锡焊面积被焊料所覆盖
回弹力度:50gf min
应用范围:音响、学习机、万能充电器、电话机、家用电器、子玩具、收录机、通信产品及电脑周边产业。
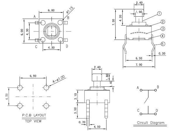
轻触开关TS-1109参考图纸

轻触开关TS-1109E产品介绍

TS-1109E是6*6轻触开关,H:4.3/5/5.5-9;力度:100g/120g/160g/250g,柄不耐高温,支持以手工焊接的方式与波峰焊。
轻触开关TS-1109E技术参数
使用范围温度:-20℃~80℃
额定值:DC 12V 50mA
绝缘电阻:≥100 MΩ
接触电阻:≤30mΩ
应用范围:音响、学习机、万能充电器、电话机、家用电器、子玩具、收录机、通信产品及电脑周边产业。
轻触开关TS-1109E参考图纸

轻触开关TS-1109W产品介绍
轻触开关TS-1109W技术参数
额定值:DC 12V 50mA
接触电阻:≤30mΩ
使用范围温度:-20℃~80℃
绝缘电阻:≥100 MΩ
应用范围:音响、学习机、万能充电器、电话机、家用电器、子玩具、收录机、通信产品及电脑周边产业。
轻触开关TS-1109W参考图纸

轻触开关TS-1109B产品介绍

TS-1109B是6*6轻触开关,高度是固定的,按键头尺寸是2.4*2.4,按键力度有160g/250g,也属于环保型规格轻触开关。
轻触开关TS-1109B技术参数
使用范围温度:-20℃~80℃
接触电阻:≤30mΩ
绝缘电阻:≥100 MΩ
额定值:DC 12V 50mA
应用范围:音响、学习机、万能充电器、电话机、家用电器、子玩具、收录机、通信产品及电脑周边产业。
轻触开关TS-1109B参考图纸

由于开关的规格型号众多,而且型号不同的,对于性能上也是有所差异的,以上所介绍的几款轻触开关6x6的规格都是比较使用。记得回顾之前也是有给各位解析过关于记得回顾之前也是有给各位解析过关于6*6防水轻触开关的运作原理及使用注意事项等知识点。那么若是有需具体了解轻触开关的价格,可以在线咨询我们的客服人员详谈。

Copyright © 广东精密龙电子科技有限公司 版权所有 粤ICP备17035144号 粤公网安备44130202001184号
全国服务电话:0755-83205533 传真:0755-83761155
公司地址:深圳市龙岗区龙岗大道8288号深圳大运软件小镇45栋2楼

