
dc插座相信大家一定很熟悉,随着社会的发展,经济不断进步,人们生活水平也在不断的提高,在现在家庭生活中电脑早已是一件不可缺少的生活用品,使得dc插座的使用也更加的广泛,由于电脑型号和款式有所不一样,使得在dc插座使用上也存在一些dc插座型号上的差异,下面让小编带大家全面的讲解常用的dc插座规格有哪些。
DC插座的常用规格
针外径2.8MM 内径0.65MM
针外径3.8MM 内径1.0MM
针外径3.8MM 内径1.3MM
针外径4.2MM 内径1.6MM
针外径4.3MM 内径1.3MM
针外径4.3MM 内径1.0MM
针外径4.5MM 内径1.6MM
针外径5.6MM 内径2.5MM
针外径5.6MM 内径2.0MM
针外径6.1MM 内径2.5MM
针外径6.1MM 内径2.0MM
针外径6.3MM 内径2.5MM
针外径6.3MM 内径1.5MM
针外径6.5MM 内径2.5MM
针外径6.3MM 内径1.5MM
DC插头的常用规格
孔外径2.5MM 内径0.8MM
孔外径3.5MM 内径1.3MM
孔外径4MM 内径1.2MM
孔外径4.8MM 内径1.7MM
孔外径5.0MM 内径1.2MM
孔外径5.0MM 内径2.1MM
孔外径5.0MM 内径2.5MM
孔外径5.5MM 内径2.1MM
孔外径5.5MM 内径2.5MM
孔外径5.5MM 内径3.0MM
孔外径5.0MM 内径1.2MM
孔外径6.3MM 内径2.1MM
DC插座常用的规格型号
DC电源插座DC-025M额定值是DC30V 0.5A,插入力度是3到20N,是插件DC电源插座。针芯直径2.0/2.5mm,DC插座的孔径尺寸是5.6mm,两个插脚。有带螺纹和不带螺纹两种。DC-025M主要应用于电视机、影碟机、组合音响、音箱、收录机、计算机等家用电器电子仪器设备。例如高清电视、电脑、DVC解码板、电子称、按摩器、电饭煲、多媒体通讯、空调等。
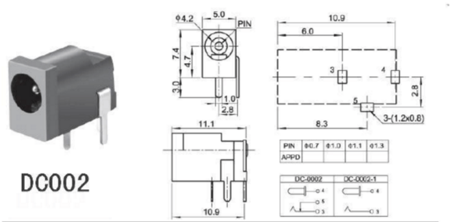
DC电源插座DC-002额定值是DC30V 0.5A,插入力度是3到20N,是插件DC电源插座,针芯直径有1.0mm和1.3mm,分别有梅花针和圆针,DC插座的孔径尺寸是4.2mm ,DC-002电源插座主要应用领域:电视机、影碟机、组合音響、音箱、收录机、计算机等家用电器电子仪器设备。
由于时间关系,小编只能对这两款常用的dc插座规格讲解到这,如需了解更多关于dc插座规格或dc插座原理、应用、分类及安装时易忽略的问题等讯息,请关注精密龙电子。工厂专业从事dc插座、可调电阻,电位器,开关及连接器的研发和生产,如有产品的需求欢迎致电0755-837611936洽谈。

Copyright © 广东精密龙电子科技有限公司 版权所有 粤ICP备17035144号 粤公网安备44130202001184号
全国服务电话:0755-83205533 传真:0755-83761155
公司地址:深圳市龙岗区龙岗大道8288号深圳大运软件小镇45栋2楼

